
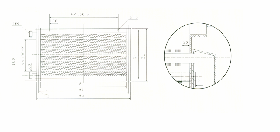
用以补偿热应力的浮头式结构。钢铝复合翅片工艺先进,它是钢、铝管复合在专用机床上轧制而成的,使钢基管和铝翅片结合紧密,热阻小,传热性好,强度高,流动损失、防腐性强等优点。尤其有高温运行中,使用浮头式油加热器,散热管能自动伸张、收缩、减少巨大热应力,保证设备使用寿命。(注:FUL型浮头式油加热器的不同表面管长、管数及排数组成多种规格,其流程可根据用户需要。二排管高度为180mm,三排管为200mm,六排管为360mm,八排管为420mm等多种流程,可任意选用。
FUL型浮头式油加热器,选用高效换热管,钢管,铝管,复合一体。在专业机床上轧而成形散热片,钢管,铝管轧片相结合,热阻小,传热性好,强度高,流动损失小,防腐性强。
我司有专业的热工计算,可以帮客户设计多种材料规格波纹填料及化工设备,以满足各种广大客户的需求。
我司有专业的热工计算,可以帮客户除标准型外定制,设计非标准型散热器,翅片管,换热器,表冷器,冷却器以满足各种广大客户的需求。
本厂服务宗旨“产品质量以优争先,销售服务以诚为本,合同来往以信为荣”。竭诚欢迎广大客户前来我司选购洽谈。
销售部经理: 13812078280
电话:0510-85186177
联系人:邵经理
|